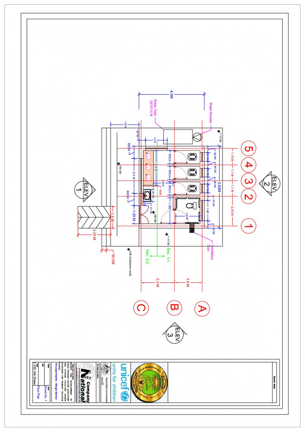
Review and Development of Child Friendly Water, Sanitation and Hygiene Facilities Design Packages for Primary Schools in Iraq: 4 compartment single gender

Title:

Review and Development of Child Friendly Water, Sanitation and Hygiene Facilities Design Packages for Primary Schools in Iraq: 4 compartment single gender

Author:

National Company for Engineering, Consultations and Quality Control Ltd

Date:

01 Jan

Organisation:

National Company for Engineering, Consultations and Quality Control Ltd

Year:

2012

Tags:

Sanitation, Water, Technology, Tools, English

Citation:

National Company for Engineering, Consultations and Quality Control Ltd, Sanitation and Hygiene Facilities Design Packages for Primary Schools in Iraq: 4 compartment single gender, UNICEF

Summary (100 words or less):

This document contains detailed plans for a four-compartment, single-gender toilet and hand wash facility. The drawings include those for the beam reinforcement, the foundation and roof plans, a typical cubicle plus the details for the windows and doors. It also includes colour-coded plans showing the relevant pipework needed.

OR

Copy Link Close